EZO R156ZZ VA軸承尺寸、參數與圖紙
| 基本尺寸 (in) | |
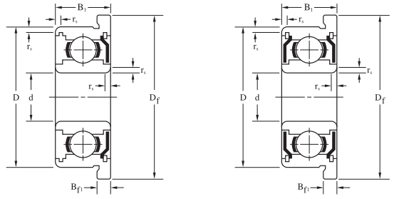
| 軸承內徑 B | 0.1875 |
| 軸承外徑 D | 0.3125 |
| 法蘭外徑 Df | 0.359 |
| 倒角半徑 rs(min) | 0.0039 |
| 開式軸承厚度 B | 0.1094 |
| 開式軸承法蘭厚度 Bf | 0.023 |
| 密封軸承厚度 B1 | 0.125 |
| 密封軸承法蘭厚度 Bf1 | 0.036 |
| 重量(g) | |
| 開式 | 0.4 |
| 開式帶法蘭 | 0.47 |
| 密封型 | 0.45 |
| 密封型帶法蘭 | 0.56 |
| 載荷(N) | |
| 基本動載荷 | 359 |
| 基本靜載荷 | 150 |
| 極限轉速(rpm) | |
| 脂潤滑 | 53000 |
| 油潤滑 | 63000 |
| 滾珠參數 | |
| 數量 Z | 10 |
| 尺寸 Dw | 0.0394 |
微型軸承推薦
| SKF 635-2Z/C3GJN軸承 | 基本尺寸,內徑:5.00000mm,外徑:19.00000mm,厚度:6.00000mm。 |
| EZO SMF85ZZ AF2軸承 | 基本尺寸,內徑:5.00000mm,外徑:8.00000mm,厚度:0.00000mm。 |
| NMB 6000MNSD57TP1M5MTLD軸承 | 基本尺寸,內徑:10.00000mm,外徑:26.00000mm,厚度:8.00000mm。 |
| NSK SR144MC3E軸承 | 基本尺寸,內徑:3.17500mm,外徑:6.35000mm,厚度:2.38000mm。 |
| EZO MR137ZZW3軸承 | 基本尺寸,內徑:7.00000mm,外徑:13.00000mm,厚度:3.00000mm。 |
FAG軸承推薦
| FAG 6207-H#E軸承 | FAG 6207-H#E軸承,市場價:¥15.75元,當前庫存2套,添加時間:2023-08-16 21:40:43 |
| FAG 32026-X軸承 | FAG 32026-X軸承,市場價:¥504.00元,當前庫存97套,添加時間:2023-08-19 22:51:51 |
| FAG 51109軸承 | FAG 51109軸承,市場價:¥59.33元,當前庫存89套,添加時間:2023-08-18 15:03:47 |
| FAG N1018-D-K-TVP-SP-XL軸承 | FAG N1018-D-K-TVP-SP-XL軸承,市場價:¥2219.20元,當前庫存30套,添加時間:2023-08-21 21:16:45 |
| FAG 61909-2RSR-C3軸承 | FAG 61909-2RSR-C3軸承,市場價:¥242.23元,當前庫存100套,添加時間:2023-08-17 10:14:19 |
IKO軸承推薦
| IKO CRY12VUUR軸承 | 基本尺寸,內徑:6.35000mm,外徑:19.05000mm,厚度:14.28800mm。 |
| IKO RNA4822軸承 | 基本尺寸,內徑:120.00000mm,外徑:140.00000mm,厚度:30.00000mm。 |
| IKO CFES10BUU軸承 | 基本尺寸,內徑:10.00000mm,外徑:22.00000mm,厚度:12.00000mm。 |
| IKO NAX4532軸承 | 基本尺寸,內徑:45.00000mm,外徑:65.00000mm,厚度:32.00000mm。 |
| IKO TRI254425軸承 | 基本尺寸,內徑:25.00000mm,外徑:44.00000mm,厚度:25.00000mm。 |

