NTN ASPT205-015-10軸承技術規格
| 類型 | 迷你型框架式軸承座 |
| 軸承類型 | 滾珠軸承 |
| 鎖緊裝置 | 緊定螺釘 |
| 軸承型號 | AS205-015 |
| 性能 | 輕型 |
| 基本額定動載荷 | 3150 lbf 14000 N 14.00 kN |
| 基本額定靜載荷 | 1760 lbf 7850 N 7.85 kN |
| 最大推薦負荷 | 770 lbf 3500 N |
| 極限轉速 | 5900轉/分鐘 |
| 重量 | 2.400 lb 1.100 kg |
| 應用溫度范圍 | -40 to 250 oF -40 to 120 oC |
| 潤滑方式 | 不可再潤滑 |
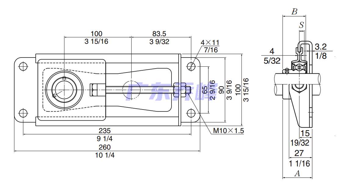
NTN ASPT205-015-10軸承尺寸規格
| 迷你型框架式軸承座,帶緊定螺釘,ASPT型 - 尺寸 | |
| d | 0.9375 in 23.813 mm |
| A | 1.3594 in 34.500 mm |
| B | 1.0630 in 27.000 mm |
| S | 0.2953 in 7.500 mm |
NTN ASPT205-015-10軸承尺寸圖
NTN ASPT205-015-10軸承同尺寸型號
| ASPT205-015-10 | 詳細尺寸,d:23.813mm,b:34.500mm |
| 共計找到1條記錄 | |
NTN ASPT205-015-10軸承相關配件/適用型號
| AS205-015 | 詳細尺寸,d:23.813mm,dD:52.000mm,c:15.000mm,b:27.000mm,r:1.000mm |
NTN軸承推薦
| NTN FLW683ZA軸承 | 描述:軸承型號:FLW683ZA,單列深溝球軸承帶法蘭外圈 - 可拆卸單面防塵蓋 |
| NTN 87510C3軸承 | 描述:軸承型號:87510C3,單列深溝球軸承 - 單面防塵蓋&單面密封(接觸式橡膠密封),87000系列 |
| NTN EC-6310LLU軸承 | 描述:軸承型號:EC-6310LLU,膨脹補償軸承 - 雙面密封(接觸式橡膠密封) |
| NTN 71911HVDUJ84軸承 | 描述:軸承型號:71911HVDUJ84,雙聯角接觸球軸承,高精度 - 萬能平頂軸承 |
| NTN MLCH71917CV軸承 | 描述:軸承型號:MLCH71917CV,高速,單列混合陶瓷角接觸球軸承,高精度 |
| NTN MLE71920CV軸承 | 描述:軸承型號:MLE71920CV,密封角接觸球軸承 - 接觸角 25°,標準精度 |
| NTN UEL311-200D1軸承 | 描述:軸承型號:UEL311-200D1,帶偏心鎖緊套的外球面軸承,寬外圈 - 球面外圈 |
| NTN M252310PX1軸承 | 描述:軸承型號:M252310PX1,圓錐滾子軸承外圈 - 英制系列和J系列 |
| NTN 5E-4231/500G2軸承 | 描述:軸承型號:5E-4231/500G2,雙列圓錐滾子軸承 |
| NTN PCJ222820軸承 | 描述:軸承型號:PCJ222820,滾針和保持架組件 |
進口軸承推薦
| FAFNIR 214WDD軸承 | 描述:1.09 kg,單列深溝球軸承 |
| FAG 22310-E1A-M-C4軸承 | 描述:1.82 kg,調心滾子軸承(X-life品質) |
| ROLLWAY 6308Z軸承 | 描述:0.638 kg, |
| FAG 6209.P6軸承 | 描述:0.404 kg,單列深溝球軸承 |
| INA 61804-2RZ-HLU軸承 | 描述:0.0174 kg,單列深溝球軸承 |
MCGILL軸承推薦
| MCGILL CF5S軸承 | 基本尺寸,內徑:0.00000mm,外徑:5.00000mm,厚度:69.85000mm。 |
| MCGILL BCF2-1/2SB軸承 | 基本尺寸,內徑:0.00000mm,外徑:63.50000mm,厚度:38.10000mm。 |
| MCGILL ROLLWAY-NJ2316EM軸承 | 基本尺寸,內徑:80.00000mm,外徑:170.00000mm,厚度:58.00000mm。 |
| MCGILL GR68SS+MI58軸承 | 基本尺寸,內徑:4.25000mm,外徑:5.25000mm,厚度:2.00000mm。 |
| MCGILL MR96+MI80軸承 | 基本尺寸,內徑:6.00000mm,外徑:7.50000mm,厚度:3.00000mm。 |

