NTN C-UKTX09D1 (when used with HE2309X)軸承技術規格
| 類型 | 滑塊式軸承座 |
| 軸承類型 | 滾珠軸承 |
| 密封型式 | 接觸式 |
| 密封圈材質 | 丁腈橡膠 |
| 鎖緊裝置 | 緊定襯套 |
| 軸承型號 | UKX09D1 |
| 殼體材質 | 鑄鐵 |
| 軸承座型號 | TX09D1 |
| 性能 | 中型 |
| 基本額定動載荷 | 7850 lbf 35000 N 35.00 kN |
| 基本額定靜載荷 | 5200 lbf 23200 N 23.20 kN |
| 重量 | 8.400 lb 3.800 kg |
| 應用溫度范圍 | -40 to 250 oF -40 to 120 oC |
| 潤滑方式 | 可再潤滑 |
NTN C-UKTX09D1 (when used with HE2309X)軸承尺寸規格
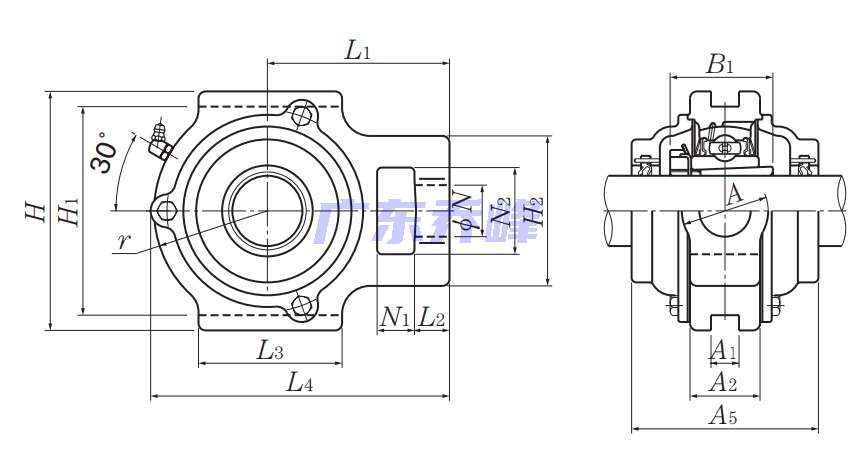
| 滑塊式軸承座,鑄造外殼,帶緊定襯套,鑄造防塵蓋,開式端蓋,UKT型 - 尺寸 | |
| d | 1.5000 in 38.100 mm |
| L | 5.9687 in 152.0 mm |
| H | 4.5937 in 117.0 mm |
| A5 | 3.9375 in 100.000 mm |
| H1 | 4.0156 in 102.0 mm |
| H2 | 3.2812 in 83.0 mm |
| L1 | 3.6250 in 92.0 mm |
| L2 | 0.7187 in 18.0 mm |
| L3 | 3.3750 in 86.0 mm |
| N | 1.1562 in 29.0 mm |
| N1 | 0.7500 in 19.0 mm |
| N2 | 1.9375 in 49.0 mm |
| A | 1.9375 in 49.0 mm |
| A1 | 0.6300 in 16.0 mm |
| A2 | 1.5000 in 38.0 mm |
| r | 2.3125 in 59.0 mm |
| B1 | 2.1650 in 50.000 mm |
| F | 0.2323 in 5.900 mm |
| 注意 | 銷售圖紙反映的是不帶緊定襯套的尺寸,實際上是帶的,因此需要注意。如不能很好把握,可直接致電020-81178086咨詢我們。 |
NTN C-UKTX09D1 (when used with HE2309X)軸承尺寸圖
NTN C-UKTX09D1 (when used with HE2309X)軸承同尺寸型號
| CM-UKTX09D1 (when used with HE2309X) | 詳細尺寸,d:38.100mm,h:117.00000mm,bi:100.000mm,r:152.000mm,r2max:102.000mm |
| C-UKTX09D1 (when used with HE2309X) | 詳細尺寸,d:38.100mm,h:117.00000mm,bi:100.000mm,r:152.000mm,r2max:102.000mm |
| 共計找到2條記錄 | |
NTN C-UKTX09D1 (when used with HE2309X)軸承相關配件/適用型號
| UKX09D1 | 詳細尺寸,d:45.000mm,dD:90.000mm,c:24.000mm,b:32.000mm |
NTN軸承推薦
| NTN WBC2.5-8ZZA軸承 | 描述:軸承型號:WBC2.5-8ZZA,單列深溝球軸承 - Removable Double Shield |
| NTN 6236C3軸承 | 描述:軸承型號:6236C3,單列深溝球軸承 - 開式 |
| NTN 7020HVUJ74軸承 | 描述:軸承型號:7020HVUJ74,單列角接觸球軸承,高精度 |
| NTN 7207B軸承 | 描述:軸承型號:7207B,單列角接觸球軸承 - 開式 |
| NTN HM911249軸承 | 描述:軸承型號:HM911249,圓錐滾子軸承內圈 - 英制系列和J系列 |
| NTN 423192軸承 | 描述:軸承型號:423192,雙列圓錐滾子軸承 |
| NTN MA1205EX軸承 | 描述:軸承型號:MA1205EX,圓柱滾子軸承 -可分離型,普通內圈,外圈帶兩個加強筋 |
| NTN MR5209EX軸承 | 描述:軸承型號:MR5209EX,圓柱滾子軸承 -可分離型內圈帶一個加強筋,外圈帶兩個加強筋 |
| NTN CR32LLH軸承 | 描述:軸承型號:CR32LLH,凸輪從動螺柱式滾輪軸承 - 球面外圈,CR..LLH型 |
| NTN NKX15T2+1R12X15X16軸承 | 描述:軸承型號:NKX15T2+1R12X15X16,帶推力球軸承的滾針組合軸承 - 開式帶內圈 |
進口軸承推薦
| FAG 6205-C>V軸承 | 描述:0.125 kg,新后綴>V可省略,等同于型號6205-C FAG |
| FAG 23222E1TVPB軸承 | 描述:9.5 kg,調心滾子軸承(X-life品質) |
| NSK 6307Z1軸承 | 描述:0.461 kg,單列深溝球軸承 |
| NSK RLS9 2R軸承 | 描述:0.23 kg,單列深溝球軸承 |
| SKF 7012CD/HCP4ADGA軸承 | 描述:0.68 kg |
MCGILL軸承推薦
| MCGILL CCFE3-1/4SB軸承 | 基本尺寸,內徑:0.00000mm,外徑:82.55000mm,厚度:44.45000mm。 |
| MCGILL MCFRE26SX軸承 | 基本尺寸,內徑:0.00000mm,外徑:26.00000mm,厚度:12.00000mm。 |
| MCGILL CCYR2-1/2-S軸承 | 基本尺寸,內徑:19.05000mm,外徑:63.50000mm,厚度:38.10000mm。 |
| MCGILL CCFE1-1/8SB軸承 | 基本尺寸,內徑:0.00000mm,外徑:28.58000mm,厚度:15.88000mm。 |
| MCGILL CCYRD2-1/2軸承 | 基本尺寸,內徑:0.75000mm,外徑:2.50000mm,厚度:1.50000mm。 |

