NTN NUKRT100X軸承技術規格
| 類型 | 凸輪從動軸承 |
| 材質 | 淬透鋼 |
| 螺紋類型 | 公制 |
| 保持架材質 | 無 |
| 極限轉速-脂潤滑 | 2000轉/分鐘 |
| 滾子型式 | 圓柱型 |
| 螺柱類型 | 公制 |
| 軸承類型 | 滾針軸承 |
| 外圈類型 | 圓柱型 |
| 附件 | 防塵蓋 |
| 驅動裝置型式 | 插入式 |
| 結構 | 單列 |
| 扭矩 | 630.0 N ·m |
| 基本額定靜載荷 | 37500 lbf 167000 N |
| 基本額定動載荷 | 26800 lbf 119000 N |
| 軌道額定載荷 | 17800 lbf 79000 N |
| 重量 | 6.790 lb 3.080 kg |
| 應用溫度范圍 | -40 to 250 oF -40 to 120 oC |
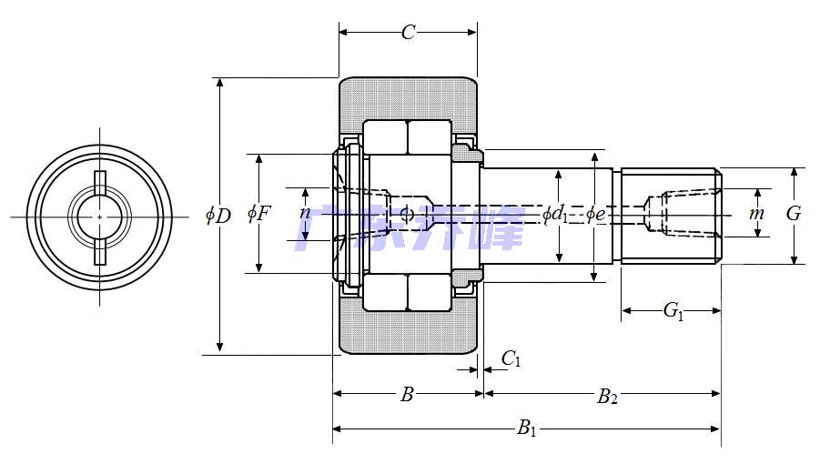
NTN NUKRT100X軸承尺寸規格
| 凸輪從動螺柱式滾輪軸承 - 圓柱內徑,NUKRT型 - 尺寸 | |
| G | M36x1.5 |
| B1 | 4.7244 in 120.000 mm |
| B2 | 2.9134 in 74.000 mm |
| D | 3.9370 in 100.000 mm |
| D公差 | 0/-0.0020 in 0/-0.050 mm |
| B | 1.8110 in 46.000 mm |
| C | 1.6929 in 43.000 mm |
| d1 | 1.4173 in 36.000 mm |
| d1公差 | 0/-0.0010 in 0/-0.025 mm |
| G1 | 1.4961 in 38.000 mm |
| e | 2.0866 in 53.000 mm |
| F | 1.9094 in 48.500 mm |
| C1 | 0.0591 in 1.500 mm |
| n | PT1/8 |
| m | PT1/8 |
| 注油嘴尺寸 | A-PT1/8 |
NTN NUKRT100X軸承尺寸圖
NTN軸承推薦
| NTN 6920ZZ軸承 | 描述:軸承型號:6920ZZ,單列深溝球軸承 - 雙面防塵蓋 |
| NTN 5221SC3軸承 | 描述:軸承型號:5221C3,雙列角接觸球軸承 - 開式,5200&5300系列 |
| NTN 5795/5735軸承 | 描述:軸承型號:5795/5735,圓錐滾子軸承 - 英制系列和J系列 |
| NTN L432349/L432310軸承 | 描述:軸承型號:L432349/L432310,圓錐滾子軸承 - 英制系列和J系列 |
| NTN JHM516849軸承 | 描述:軸承型號:JHM516849,圓錐滾子軸承內圈 - 英制系列和J系列 |
| NTN M1211CH軸承 | 描述:軸承型號:M1211CH,普通外圈帶銷釘孔,不帶滾子 |
| NTN NJ308EC3軸承 | 描述:軸承型號:NJ308EC3,圓柱滾子軸承 -可分離型內圈帶一個加強筋,外圈帶兩個加強筋 |
| NTN NU421AC4軸承 | 描述:軸承型號:NU421AC4,圓柱滾子軸承 -可分離型,普通內圈,外圈帶兩個加強筋 - NU型 |
| NTN KBK16X20X19.8軸承 | 描述:軸承型號:KBK16X20X19.8,用于活塞銷的滾針和保持架組件 |
| NTN 22226EAD1C5軸承 | 描述:軸承型號:22226EAW33C5,調心滾子軸承 - 圓柱孔&注油槽,222系列 |
進口軸承推薦
| NTN 6406C5軸承 | 描述:0.76 kg,單列深溝球軸承 |
| FAG 6009TBH軸承 | 描述:0.239 kg,單列深溝球軸承 |
| SKF 23140CC/C4W33軸承 | 描述:42.8 kg,調心滾子軸承 |
| SKF 62205-2RS1/BL軸承 | 描述:0.145 kg,單列深溝球軸承 |
| SKF 23984CC/C4W33軸承 | 描述:74.5 kg,調心滾子軸承 |
MCGILL軸承推薦
| MCGILL CCFE11/16軸承 | 基本尺寸,內徑:0.00000mm,外徑:17.46000mm,厚度:11.11000mm。 |
| MCGILL GR132+MI112軸承 | 基本尺寸,內徑:8.25000mm,外徑:10.12500mm,厚度:3.00000mm。 |
| MCGILL MR24SS+MI19軸承 | 基本尺寸,內徑:1.50000mm,外徑:2.06250mm,厚度:1.25000mm。 |
| MCGILL BCCFE3S軸承 | 基本尺寸,內徑:0.00000mm,外徑:76.20000mm,厚度:44.45000mm。 |
| MCGILL MCYR45S軸承 | 基本尺寸,內徑:45.00000mm,外徑:85.00000mm,厚度:35.00000mm。 |

