NTN ASPF208-108軸承技術規格
| 類型 | 四螺栓法蘭式軸承座 |
| 軸承類型 | 滾珠軸承 |
| 鎖緊裝置 | 緊定螺釘 |
| 密封型式 | 接觸式 |
| 密封圈材質 | 丁腈橡膠 |
| 軸承型號 | AS208-108 |
| 軸承座型號 | PF208 |
| 殼體材質 | 鋼 |
| 殼體鑄造型式 | 兩片接合式 |
| 注油孔數 | 4 |
| 端蓋類型 | 開式 |
| 性能 | 輕型 |
| 基本額定動載荷 | 6550 lbf 29100 N 29.10 kN |
| 基本額定靜載荷 | 4000 lbf 17800 N 17.80 kN |
| 極限轉速 | 3700轉/分鐘 |
| 重量 | 2.000 lb 0.900 kg |
| 應用溫度范圍 | -40 to 250 oF -40 to 120 oC |
| 潤滑方式 | 不可再潤滑 |
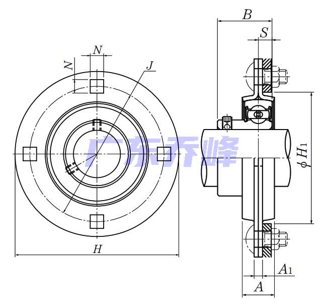
NTN ASPF208-108軸承尺寸規格
| 四螺栓圓形法蘭式軸承座,沖壓鋼外殼,帶緊定螺釘,ASPF型 - 尺寸 | |
| d | 1.5000 in 38.100 mm |
| H | 5.8125 in 148.0 mm |
| J | 4.6875 in 119.0 mm |
| A | 0.8125 in 21.0 mm |
| A1 | 0.2680 in 6.8 mm |
| N | 0.5312 in 13.5 mm |
| B | 1.4961 in 38.000 mm |
| S | 0.3543 in 9.000 mm |
| H1 | 3.5781 in 91.0 mm |
NTN ASPF208-108軸承尺寸圖
NTN ASPF208-108軸承同尺寸型號
| AELPF208-108 | 詳細尺寸,d:38.100mm,c:6.800mm,b:21.000mm,j:119.000mm,r:148.000mm |
| JELPF208-108 | 詳細尺寸,d:38.100mm,c:6.800mm,b:21.000mm,j:119.000mm,r:148.000mm |
| ASPF208-108 | 詳細尺寸,d:38.100mm,c:6.800mm,b:21.000mm,j:119.000mm,r:148.000mm |
| 共計找到3條記錄 | |
NTN ASPF208-108軸承相關配件/適用型號
| AS208-108 | 詳細尺寸,d:38.100mm,dD:80.000mm,c:18.000mm,b:38.000mm,r:1.500mm |
NTN ASPF208-108軸承在售型號
| 在售型號 | 庫存數量 | 市場價 |
| ASPF208-108 | 4524 | 73.26 |
| 注:可直接聯系銷售人員了解詳情。 | ||
NTN軸承推薦
| NTN 625Z軸承 | 描述:軸承型號:625Z,單列深溝球軸承 - 單面防塵蓋 |
| NTN 6816LUN軸承 | 描述:軸承型號:6816LUN,單列深溝球軸承 - 單面密封(接觸式橡膠密封)帶止動環槽 |
| NTN 6822NC3軸承 | 描述:軸承型號:6822NC3,單列深溝球軸承 - 開式,帶止動環槽 |
| NTN 7208CG1DUJ74軸承 | 描述:軸承型號:7208CG1DUJ74,雙聯角接觸球軸承,高精度 - 萬能平頂軸承 |
| NTN UELS308-109D1軸承 | 描述:軸承型號:UELS308-109D1,帶偏心鎖緊套的外球面軸承,寬外圈 - 圓柱內徑 |
| NTN 51152C3軸承 | 描述:軸承型號:51152C3,單向推力球軸承 |
| NTN 760/752軸承 | 描述:軸承型號:760/752,圓錐滾子軸承 - 英制系列和J系列 |
| NTN M1305GEL軸承 | 描述:軸承型號:M1305GEL,帶保持架和滾子的外圈,兩個加強筋&帶止動環槽 in外圈 O.D. |
| NTN NUP332E軸承 | 描述:軸承型號:NUP332E,圓柱滾子軸承 -可分離型,短內圈帶一個加強筋,帶側板,外圈帶兩個加強筋 |
| NTN K60X65X20軸承 | 描述:軸承型號:K60X65X20,滾針和保持架組件 |
進口軸承推薦
| FAG 248/800-B-MB軸承 | 描述:293.5 kg,調心滾子軸承 |
| RHP 22309EJW33C3軸承 | 描述:1.3 kg,調心滾子軸承 |
| RHP 23120ETNW33C3軸承 | 描述:4.22 kg,調心滾子軸承 |
| ROLLWAY 6003 2RS軸承 | 描述:0.039 kg,單列深溝球軸承 |
| FAG 239/750K.MB軸承 | 描述:420 kg,調心滾子軸承 |
MCGILL軸承推薦
| MCGILL ROLLWAY-NJ224EMC3軸承 | 基本尺寸,內徑:120.00000mm,外徑:215.00000mm,厚度:40.00000mm。 |
| MCGILL MCFRE30SB軸承 | 基本尺寸,內徑:0.00000mm,外徑:30.00000mm,厚度:14.00000mm。 |
| MCGILL CFE3.1/2B軸承 | 基本尺寸,內徑:0.00000mm,外徑:88.90000mm,厚度:50.80000mm。 |
| MCGILL GR16S+MI12軸承 | 基本尺寸,內徑:1.00000mm,外徑:1.50000mm,厚度:1.00000mm。 |
| MCGILL MCFR-19-S-TMS1軸承 | 基本尺寸,內徑:0.00000mm,外徑:19.00000mm,厚度:11.00000mm。 |

